| |
 |
 |
| Flange de Encaixe |
Flange Solto |
 |
| Flange Roscado |
| |
|
|
|
400
LB.
|
|
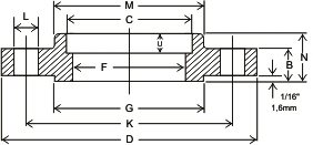
Medidas diversas
|
Peso aprox. Pounds e quilos
|
Medidas em
|
Diâmetro nominal
|
|
A
|
H
|
N
|
O
|
T
|
U
|
R
|
Sobrepostos de encaixe, roscados
|
com pescoço
|
soltos
|
cegos
|
|
0.84
|
2 1/16
|
7/8
|
7/8
|
5/8
|
x
|
1/8
|
2
|
2
|
2
|
2
|
polegada
|
1/2"
|
|
21,3
|
52,4
|
22,2
|
22,2
|
15,9
|
x
|
3,2
|
0,9
|
0,9
|
0,9
|
0,9
|
mm
|
|
1.05
|
2 1/4
|
1
|
1
|
5/8
|
x
|
1/8
|
3
|
4
|
3
|
3
|
polegada
|
3/4"
|
|
26,7
|
57,1
|
25,4
|
25,4
|
15,9
|
x
|
3,2
|
1,4
|
1,8
|
1,4
|
1,4
|
mm
|
|
1.32
|
2 7/16
|
1 1/16
|
1 1/16
|
11/16
|
x
|
1/8
|
4
|
4
|
4
|
4
|
polegada
|
1"
|
|
33,5
|
61,9
|
27
|
27
|
17,5
|
x
|
3,2
|
1,8
|
1,8
|
1,8
|
1,8
|
mm
|
|
1.66
|
2 5/8
|
1 1/8
|
1 1/8
|
13/16
|
x
|
3/16
|
5
|
6
|
5
|
5
|
polegada
|
1 1/4"
|
|
42,2
|
66,7
|
28,6
|
28,6
|
20,6
|
x
|
4,8
|
2,3
|
2,7
|
2,3
|
2,3
|
mm
|
|
1.9
|
2 3/4
|
1 1/4
|
1 1/4
|
7/8
|
x
|
1/4
|
7
|
8
|
7
|
8
|
polegada
|
1 1/2"
|
|
48,3
|
69,8
|
31,7
|
31,7
|
22,2
|
x
|
6,4
|
3,1
|
3,6
|
3,2
|
3,6
|
mm
|
|
2.38
|
2 7/8
|
1 7/16
|
1 7/16
|
1 1/8
|
x
|
5/16
|
9
|
12
|
9
|
10
|
polegada
|
2"
|
|
60,45
|
73
|
36,5
|
36,5
|
28,6
|
x
|
7,9
|
4
|
5,4
|
4,1
|
4,5
|
mm
|
|
2.88
|
3 1/8
|
1 5/8
|
1 5/8
|
1 1/4
|
x
|
5/16
|
13
|
18
|
12
|
15
|
polegada
|
2 1/2"
|
|
73,15
|
79,4
|
41,3
|
41,3
|
31,8
|
x
|
7,9
|
6
|
8,2
|
5,4
|
6,8
|
mm
|
|
3.5
|
3 1/4
|
1 13/16
|
1 13/16
|
1 3/8
|
x
|
3/8
|
16
|
23
|
15
|
20
|
polegada
|
3"
|
|
88,9
|
82,5
|
46
|
46
|
34,9
|
x
|
9,5
|
7
|
10,4
|
6,8
|
9,1
|
mm
|
|
4
|
3 3/8
|
1 15/16
|
1 15/16
|
1 9/16
|
x
|
3/8
|
21
|
26
|
20
|
29
|
polegada
|
3 1/2"
|
|
101,6
|
85,7
|
49,2
|
49,2
|
39,7
|
x
|
9,5
|
9,5
|
11,8
|
9,1
|
13,2
|
mm
|
|
4.50
|
3 1/2
|
2
|
2
|
1 7/16
|
x
|
7/16
|
26
|
35
|
25
|
33
|
polegada
|
4"
|
|
114
|
88,9
|
50,8
|
50,8
|
36,5
|
x
|
11,1
|
11,8
|
16
|
11,3
|
15
|
mm
|
|
5.56
|
4
|
2 1/8
|
2 1/8
|
1 11/16
|
x
|
7/16
|
31
|
43
|
29
|
44
|
polegada
|
5"
|
|
141
|
102
|
54
|
54
|
42,9
|
x
|
11,1
|
14,1
|
19,5
|
13,2
|
20
|
mm
|
|
6.62
|
4 1/16
|
2 1/4
|
2 1/4
|
1 13/16
|
x
|
1/2
|
44
|
57
|
42
|
61
|
polegada
|
6"
|
|
168
|
103
|
57,2
|
57,2
|
46
|
x
|
12,7
|
20
|
26
|
19,1
|
27,7
|
mm
|
|
8.62
|
4 5/8
|
2 11/16
|
2 11/16
|
2
|
x
|
1/2
|
67
|
89
|
64
|
100
|
polegada
|
8"
|
|
219
|
117
|
68,3
|
68,3
|
50,8
|
x
|
12,7
|
30,4
|
40,4
|
29
|
45,4
|
mm
|
|
10.75
|
4 7/8
|
2 7/8
|
4
|
2 3/16
|
x
|
1/2
|
91
|
125
|
110
|
155
|
polegada
|
10"
|
|
273
|
124
|
73
|
102
|
55,6
|
x
|
12,7
|
41,3
|
56,7
|
49,9
|
70,3
|
mm
|
|
12.75
|
5 3/8
|
3 1/8
|
4 1/4
|
2 3/8
|
x
|
1/2
|
130
|
175
|
150
|
225
|
polegada
|
12"
|
|
324
|
137
|
79,4
|
108
|
60,3
|
x
|
12,7
|
59
|
79,4
|
68
|
102
|
mm
|
|
14.00
|
5 7/8
|
3 5/16
|
4 5/8
|
2 1/2
|
x
|
1/2
|
180
|
230
|
205
|
290
|
polegada
|
14"
|
|
356
|
149
|
84,1
|
117
|
63,5
|
x
|
12,7
|
81,6
|
104
|
93
|
132
|
mm
|
|
16.00
|
6
|
3 11/16
|
5
|
2 11/16
|
x
|
1/2
|
235
|
295
|
260
|
370
|
polegada
|
16"
|
|
406
|
152
|
93,7
|
127
|
68,3
|
x
|
12,7
|
107
|
134
|
118
|
168
|
mm
|
|
18.00
|
6 1/2
|
3 7/8
|
5 3/8
|
2 3/4
|
x
|
1/2
|
285
|
350
|
315
|
455
|
polegada
|
18"
|
|
457
|
165
|
98,4
|
137
|
69,8
|
x
|
12,7
|
129
|
159
|
143
|
206
|
mm
|
|
20.00
|
6 5/8
|
4
|
5 3/4
|
2 7/8
|
x
|
1/2
|
345
|
425
|
385
|
585
|
polegada
|
20"
|
|
508
|
168
|
102
|
146
|
73
|
x
|
12,7
|
156
|
193
|
175
|
265
|
mm
|
|
24.00
|
6 7/8
|
4 1/2
|
6 1/4
|
3 1/4
|
x
|
1/2
|
510
|
620
|
570
|
890
|
polegada
|
24"
|
|
|
|
|
|
|
|
|
|
|
|
|
|
|