FLANGES |
 |
|
Flange Cego |
Flange Sobreposto |
|
|
|
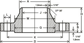
Flange com pescoço |
| |
300
LB.
|
Diâmetro Nominal
|
Medida em
|
Medidas Comuns
|
Furos
|
D
|
G
|
M
|
B
|
Nº
|
L
|
K
|
J
|
E
|
C
|
F
|
V
|
1/2"
|
polegada
|
3 3/4
|
1 3/8
|
1 1/2
|
9/16
|
4
|
5/8
|
2 5/8
|
0.62
|
0.93
|
0.88
|
0.62
|
0.90
|
mm
|
95,2
|
34,9
|
38,1
|
14,3
|
15,9
|
66,7
|
15,7
|
23,6
|
22,4
|
15,7
|
22,9
|
3/4"
|
polegada
|
4 5/8
|
1 11/16
|
1 7/8
|
5/8
|
4
|
3/4
|
3 1/4
|
0.82
|
1.14
|
1.09
|
0.82
|
1.11
|
mm
|
117
|
42,9
|
47,6
|
15,9
|
19
|
82,6
|
20,8
|
29
|
27,7
|
20,8
|
28,2
|
1"
|
polegada
|
4 7/8
|
2
|
2 1/8
|
11/16
|
4
|
3/4
|
3 1/2
|
1.05
|
1.41
|
1.36
|
1.05
|
1.38
|
mm
|
124
|
50,8
|
54
|
17,5
|
19
|
88,9
|
26,7
|
35,8
|
34,5
|
26,7
|
35,1
|
1 1/4"
|
polegada
|
5 1/4
|
2 1/2
|
2 1/2
|
3/4
|
4
|
3/4
|
3 7/8
|
1.38
|
1.75
|
1.70
|
1.38
|
1.72
|
mm
|
133
|
63,5
|
63,5
|
19
|
19
|
98,4
|
35,1
|
44,4
|
43,2
|
35,1
|
43,7
|
1 1/2"
|
polegada
|
6 1/8
|
2 7/8
|
2 3/4
|
13/16
|
4
|
7/8
|
4 1/2
|
1.61
|
1.99
|
1.95
|
1.61
|
1.97
|
mm
|
156
|
73
|
69,8
|
20,6
|
22,2
|
114
|
40,9
|
50,5
|
49,5
|
40,9
|
50
|
2"
|
polegada
|
6 1/2
|
3 5/8
|
3 5/16
|
7/8
|
8
|
3/4
|
5
|
2.07
|
2.50
|
2.44
|
2.07
|
2.46
|
mm
|
165
|
92,1
|
84,1
|
22,2
|
19
|
127
|
52,6
|
63,5
|
62
|
52,6
|
62,5
|
2 1/2"
|
polegada
|
7 1/2
|
4 1/8
|
3 5/16
|
1
|
8
|
7/8
|
5 7/8
|
2.47
|
3.00
|
2.94
|
2.47
|
2.97
|
mm
|
190
|
105
|
100
|
25,4
|
22,2
|
149
|
62,7
|
76,2
|
74,7
|
62,7
|
75,4
|
3"
|
polegada
|
8 1/4
|
5
|
4 5/8
|
1 1/8
|
8
|
7/8
|
6 5/8
|
3.07
|
3.63
|
3.57
|
3.07
|
3.60
|
mm
|
210
|
127
|
117
|
28,6
|
22,2
|
168
|
78
|
92,2
|
90,7
|
78
|
91,4
|
3 1/2"
|
polegada
|
9
|
5 1/2
|
5 1/4
|
1 3/16
|
8
|
7/8
|
7 1/4
|
3.55
|
4.13
|
4.07
|
3.55
|
4.10
|
mm
|
229
|
140
|
133
|
30,2
|
22,2
|
184
|
90,2
|
105
|
103
|
90,2
|
104
|
4"
|
polegada
|
10
|
6 3/16
|
5 3/4
|
1 1/4
|
8
|
7/8
|
7 7/8
|
4.03
|
4.63
|
4.57
|
4.03
|
4.60
|
mm
|
254
|
157
|
146
|
31,8
|
22,2
|
200
|
102
|
118
|
116
|
102
|
117
|
5"
|
polegada
|
11
|
7 5/16
|
7
|
1 3/8
|
8
|
7/8
|
9 1/4
|
5.05
|
5.69
|
5.66
|
x
|
5.69
|
mm
|
279
|
186
|
178
|
34,9
|
22,2
|
235
|
128
|
145
|
144
|
x
|
145
|
6"
|
polegada
|
12 1/2
|
8 1/2
|
8 1/8
|
1 7/16
|
12
|
7/8
|
10 5/8
|
6.07
|
6.75
|
6.72
|
x
|
6.75
|
mm
|
318
|
216
|
206
|
36,5
|
22,2
|
270
|
154
|
171
|
171
|
x
|
171
|
8"
|
polegada
|
15
|
10 5/8
|
10 1/4
|
1 5/8
|
12
|
1
|
13
|
7.98
|
8.75
|
8.72
|
x
|
8.75
|
mm
|
381
|
270
|
260
|
41,3
|
25,4
|
330
|
203
|
223
|
221
|
x
|
222
|
10"
|
polegada
|
17 1/2
|
12 3/4
|
12 5/8
|
1 7/8
|
16
|
1 1/4
|
15 1/4
|
10.02
|
10.88
|
10.88
|
x
|
10.92
|
mm
|
444
|
324
|
321
|
47,6
|
28,6
|
387
|
255
|
276
|
276
|
x
|
277
|
12"
|
polegada
|
20 1/2
|
15
|
14 3/4
|
2
|
16
|
1 1/4
|
17 3/4
|
12.00
|
12.94
|
12.88
|
x
|
12.92
|
mm
|
521
|
381
|
375
|
50,8
|
31,8
|
451
|
305
|
329
|
327
|
x
|
328
|
14"
|
polegada
|
23
|
16 1/4
|
16 3/4
|
2 1/8
|
20
|
1 1/4
|
20 1/4
|
13.29
|
14.19
|
14.14
|
x
|
14.18
|
mm
|
584
|
413
|
425
|
54
|
31,8
|
514
|
336,5
|
360
|
359
|
x
|
360
|
16"
|
polegada
|
25 1/2
|
18 1/2
|
19
|
2 1/4
|
20
|
1 3/8
|
22 1/2
|
15.25
|
16.19
|
16.16
|
x
|
16.19
|
mm
|
648
|
470
|
483
|
57,2
|
34,9
|
572
|
387
|
411
|
410
|
x
|
411
|
18"
|
polegada
|
28
|
21
|
21
|
2 3/8
|
24
|
1 3/8
|
24 3/4
|
17.25
|
18.19
|
18.18
|
x
|
18.20
|
mm
|
711
|
533
|
533
|
60,3
|
34,9
|
629
|
438
|
462
|
462
|
x
|
462
|
20"
|
polegada
|
30 1/2
|
23
|
23 1/8
|
2 1/2
|
24
|
1 3/8
|
27
|
19.25
|
20.19
|
20.20
|
x
|
20.25
|
mm
|
775
|
584
|
587
|
63,5
|
34,9
|
686
|
489
|
513
|
513
|
x
|
514
|
24"
|
polegada
|
36
|
27 1/4
|
27 5/8
|
2 3/4
|
24
|
1 5/8
|
32
|
23.25
|
24.19
|
24.25
|
x
|
24.25
|
mm
|
914
|
692
|
702
|
69,8
|
41,3
|
813
|
590,5
|
614
|
616
|
x
|
616
|
|
|