|
|
|
150
LB.
|
|
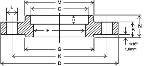
Medidas diversas
|
Peso aprox. Pounds e quilos
|
Medidas em
|
Diâmetro nominal
|
|
A
|
H
|
N
|
O
|
T
|
U
|
R
|
Sobrepostos de encaixe, roscados
|
com pescoço
|
soltos
|
cegos
|
|
0.84
|
1 7/8
|
5/8
|
5/8
|
5/8
|
3/8
|
1/8
|
1
|
2
|
1
|
1
|
polegada
|
1/2"
|
|
21,3
|
47,6
|
15,9
|
15,9
|
15,9
|
9,52
|
3,18
|
0,5
|
0,9
|
0,5
|
0,5
|
mm
|
|
1.05
|
2 1/16
|
5/8
|
5/8
|
5/8
|
7/16
|
1/8
|
2
|
2
|
2
|
2
|
polegada
|
3/4"
|
|
26,7
|
52,4
|
15,9
|
15,9
|
15,9
|
11,1
|
3,18
|
0,9
|
0,9
|
0,9
|
0,9
|
mm
|
|
1.32
|
2 3/16
|
11/16
|
11/16
|
11/16
|
1/2
|
3/8
|
2
|
3
|
2
|
2
|
polegada
|
1"
|
|
33,5
|
55,6
|
17,5
|
17,5
|
17,5
|
12,7
|
3,18
|
0,9
|
1,4
|
0,9
|
0,9
|
mm
|
|
1.66
|
2 1/4
|
13/16
|
13/16
|
13/16
|
9/16
|
3/16
|
3
|
3
|
3
|
3
|
polegada
|
1 1/4"
|
|
42,2
|
57,2
|
20,6
|
20,6
|
20,6
|
14,3
|
4,76
|
1,4
|
1,4
|
1,4
|
1,4
|
mm
|
|
1.90
|
2 7/16
|
7/8
|
7/8
|
7/8
|
5/8
|
1/4
|
3
|
4
|
3
|
4
|
polegada
|
1 1/2"
|
|
48,3
|
61,9
|
22,2
|
22,2
|
22,2
|
15,9
|
6,35
|
1,4
|
1,8
|
1,4
|
1,8
|
mm
|
|
2.38
|
2 1/2
|
1
|
1
|
1
|
42675
|
5/16
|
5
|
6
|
5
|
5
|
polegada
|
2"
|
|
60,5
|
63,5
|
25,4
|
25,4
|
25,4
|
17,5
|
7,94
|
2,3
|
2,7
|
2,3
|
2,3
|
mm
|
|
2.88
|
2 3/4
|
1 1/8
|
1 1/8
|
1 1/8
|
38445
|
5/16
|
7
|
8
|
7
|
7
|
polegada
|
2 1/2"
|
|
73,2
|
69,8
|
28,6
|
28,6
|
28,6
|
19
|
7,94
|
3,2
|
3,6
|
3,2
|
3,2
|
mm
|
|
3.50
|
2 3/4
|
1 3/16
|
1 3/16
|
1 3/16
|
13/16
|
3/8
|
8
|
10
|
8
|
9
|
polegada
|
3"
|
|
88,9
|
69,8
|
30,2
|
30,2
|
30,2
|
20,6
|
9,52
|
3,6
|
4,5
|
3,6
|
4,1
|
mm
|
|
4.00
|
2 4/5
|
1 1/4
|
1 1/4
|
1 1/4
|
7/8
|
3/8
|
11
|
12
|
11
|
13
|
polegada
|
3 1/2"
|
|
102
|
71,4
|
31,8
|
31,8
|
31,8
|
22,2
|
9,52
|
5
|
5,4
|
5
|
5,9
|
mm
|
|
4.50
|
3
|
1 5/16
|
1 5/16
|
1 5/16
|
15/16
|
7/16
|
13
|
15
|
13
|
17
|
polegada
|
4"
|
|
114
|
76,2
|
33,3
|
33,3
|
33,3
|
23,8
|
11,1
|
5,9
|
6,8
|
5,9
|
7,7
|
mm
|
|
5.56
|
3 1/2
|
1 7/16
|
1 7/16
|
1 7/16
|
15/16
|
7/16
|
15
|
19
|
15
|
20
|
polegada
|
5"
|
|
141
|
88,9
|
36,5
|
36,5
|
36,5
|
23,8
|
11,1
|
6,8
|
8,6
|
6,8
|
9,1
|
mm
|
|
6.62
|
3 1/2
|
1 9/16
|
1 9/16
|
1 9/16
|
1 1/16
|
1/2
|
19
|
24
|
19
|
26
|
polegada
|
6"
|
|
168
|
88,9
|
39,7
|
39,7
|
39,7
|
27
|
12,7
|
8,6
|
10,9
|
8,6
|
11,8
|
mm
|
|
8.62
|
4
|
1 3/4
|
1 3/4
|
1 3/4
|
1 1/ 4
|
1 1/2
|
30
|
39
|
30
|
45
|
polegada
|
8"
|
|
219
|
102
|
44,4
|
44,4
|
44,4
|
31,7
|
12,7
|
13,6
|
17,7
|
13,6
|
20,4
|
mm
|
|
10.75
|
4
|
1 15/16
|
1 15/16
|
1 15/16
|
1 15/16
|
1/2
|
43
|
52
|
43
|
70
|
polegada
|
10"
|
|
273
|
102
|
49,2
|
49,2
|
49,2
|
33,3
|
12,7
|
19,5
|
23,6
|
19,5
|
31,8
|
mm
|
|
12.75
|
4 1/2
|
2 3/16
|
2 3/16
|
2 3/16
|
1 9/16
|
1/2
|
64
|
80
|
64
|
110
|
polegada
|
12"
|
|
324
|
114
|
55,6
|
55,6
|
55,6
|
39,7
|
12,7
|
29
|
36,3
|
29
|
49,9
|
mm
|
|
14.00
|
5
|
2 1/4
|
3 1/8
|
2 1/4
|
1 5/8
|
1/2
|
90
|
110
|
105
|
140
|
polegada
|
14"
|
|
356
|
127
|
57,2
|
79,4
|
57,2
|
41,3
|
12,7
|
41
|
50
|
47,6
|
63,5
|
mm
|
|
16.00
|
5
|
2 1/2
|
3 7/16
|
2 1/2
|
1 3/4
|
1/2
|
98
|
140
|
140
|
180
|
polegada
|
16"
|
|
406
|
127
|
63,5
|
87,3
|
63,5
|
44,4
|
12,7
|
44,5
|
64
|
63,5
|
81,6
|
mm
|
|
18.00
|
5 1/2
|
2 11/16
|
3 13/16
|
2 11/16
|
1 15/16
|
1/2
|
130
|
150
|
160
|
220
|
polegada
|
18"
|
|
457
|
140
|
68,3
|
96,8
|
68,3
|
49,2
|
12,7
|
59
|
68
|
72,6
|
99,8
|
mm
|
|
20.00
|
5 2/3
|
2 7/8
|
4 1/16
|
2 1/8
|
2 1/8
|
1/2
|
165
|
180
|
195
|
285
|
polegada
|
20"
|
|
508
|
144
|
73
|
103
|
73
|
54
|
12,7
|
75
|
81,6
|
88,5
|
129
|
mm
|
|
24.00
|
6
|
3 1/4
|
4 3/4
|
3 1/4
|
2 1/2
|
1/2
|
220
|
260
|
275
|
430
|
polegada
|
24"
|
|
610
|
152
|
82,6
|
111
|
82,6
|
63,5
|
12,7
|
99,8
|
118
|
125
|
195
|
mm
|
|
|