| |
   |
|
|
|
|
300
LB.
|
|
Medidas diversas
|
Peso aprox. Pounds e quilos
|
Medidas em
|
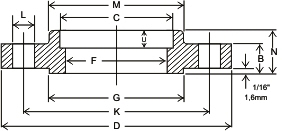
Diâmetro nominal
|
|
A
|
H
|
N
|
O
|
T
|
U
|
R
|
Sobrepostos de encaixe, roscados
|
com pescoço
|
soltos
|
cegos
|
|
0.84
|
2
|
7/8
|
7/8
|
5/8
|
3/8
|
1/8
|
2
|
2
|
2
|
2
|
polegada
|
1/2"
|
|
21,3
|
52,4
|
22,2
|
22,2
|
15,9
|
9,52
|
3,18
|
0,9
|
0,9
|
0,9
|
0,9
|
mm
|
|
1,05
|
2 1/4
|
1
|
1
|
5/8
|
7/16
|
1/8
|
3
|
3
|
3
|
3
|
polegada
|
3/4"
|
|
26,7
|
57,2
|
25,4
|
25,4
|
15,9
|
11,1
|
3,18
|
1,4
|
1,4
|
1,4
|
1,4
|
mm
|
|
1.32
|
2 7/16
|
1 1/16
|
1 1/16
|
11/16
|
1/2
|
1/8
|
3
|
4
|
3
|
3
|
polegada
|
1"
|
|
33,4
|
61,9
|
27
|
27
|
17,5
|
12,7
|
3,18
|
1,4
|
1,8
|
1,4
|
1,4
|
mm
|
|
1.66
|
2 4/7
|
1 1/16
|
1 1/16
|
13/16
|
9/16
|
3/16
|
4
|
5
|
4
|
4
|
polegada
|
1 1/4"
|
|
42,2
|
65,1
|
27
|
27
|
20,6
|
14,3
|
4,76
|
1,8
|
2,3
|
1,8
|
1,8
|
mm
|
|
1.90
|
2 11/16
|
1 3/16
|
1 3/16
|
7/8
|
5/8
|
1/4
|
6
|
7
|
6
|
6
|
polegada
|
1 1/2"
|
|
48,3
|
68,3
|
30,2
|
30,2
|
22,2
|
15,9
|
6,35
|
2,7
|
3,2
|
2,7
|
2,7
|
mm
|
|
2.38
|
2 3/4
|
1 5/16
|
1 5/16
|
1 1/8
|
11/16
|
5/16
|
7
|
9
|
7
|
8
|
polegada
|
2"
|
|
60,3
|
69,8
|
33,3
|
33,3
|
28,6
|
17,5
|
7,94
|
3,2
|
4,1
|
3,2
|
3,6
|
mm
|
|
2.88
|
3
|
1 1/2
|
1 1/2
|
1 1/4
|
3/4
|
5/16
|
10
|
12
|
10
|
12
|
polegada
|
2 1/2"
|
|
73
|
76,2
|
38,1
|
38,1
|
31,8
|
19
|
7,94
|
4,5
|
5,4
|
4,5
|
5,4
|
mm
|
|
3.50
|
3 1/8
|
1 11/16
|
1 11/16
|
1 1/4
|
13/16
|
3/8
|
13
|
15
|
13
|
16
|
polegada
|
3"
|
|
88,9
|
79,4
|
42,9
|
42,9
|
31,8
|
20,6
|
9,52
|
5,9
|
6,8
|
5,9
|
7,3
|
mm
|
|
4.00
|
3 1/5
|
1 3/4
|
1 3/4
|
1 7/16
|
7/8
|
3/8
|
17
|
18
|
17
|
21
|
polegada
|
3 1/2"
|
|
102
|
81
|
44,4
|
44,4
|
36,5
|
22,2
|
9,52
|
7,7
|
8,2
|
7,7
|
9,5
|
mm
|
|
4.50
|
3 3/8
|
1 7/8
|
1 7/8
|
1 7/16
|
15/16
|
7/16
|
22
|
25
|
22
|
27
|
polegada
|
4"
|
|
114
|
85,7
|
47,6
|
47,6
|
36,5
|
23,8
|
11,1
|
10
|
11,3
|
10
|
12,2
|
mm
|
|
5.56
|
3 7/8
|
2
|
2
|
1 11/16
|
x
|
7/16
|
28
|
32
|
28
|
35
|
polegada
|
5"
|
|
141
|
98,4
|
50,8
|
50,8
|
42,9
|
x
|
11,1
|
12,7
|
14,5
|
12,7
|
15,9
|
mm
|
|
6.62
|
3 7/8
|
2 1/16
|
2 1/16
|
1 13/16
|
x
|
1/2
|
39
|
42
|
39
|
50
|
polegada
|
6"
|
|
168
|
98,4
|
52,4
|
52,4
|
46
|
x
|
12,7
|
17,7
|
19
|
17,7
|
22,7
|
mm
|
|
8.62
|
4 3/8
|
2 7/16
|
2 7/16
|
2
|
x
|
1/2
|
58
|
67
|
58
|
81
|
polegada
|
8"
|
|
219
|
111
|
61,9
|
61,9
|
50,8
|
x
|
12,7
|
26,3
|
30,4
|
26,3
|
36,7
|
mm
|
|
10.75
|
4 5/8
|
2 5/8
|
3 3/4
|
2 3/16
|
x
|
1/2
|
81
|
91
|
91
|
125
|
polegada
|
10"
|
|
273
|
117
|
66,7
|
95,2
|
55,6
|
x
|
12,7
|
36,7
|
41,3
|
41,3
|
56,7
|
mm
|
|
12.75
|
5 1/8
|
2 7/8
|
4
|
2 3/8
|
x
|
1/2
|
115
|
140
|
140
|
185
|
polegada
|
12"
|
|
324
|
130
|
73
|
102
|
60,3
|
x
|
12,7
|
52,2
|
63,5
|
63,5
|
83,9
|
mm
|
|
14.00
|
5 5/8
|
3
|
4 3/8
|
2 1/2
|
x
|
1/2
|
165
|
180
|
190
|
250
|
polegada
|
14"
|
|
356
|
143
|
76,2
|
111
|
63,5
|
x
|
12,7
|
74,8
|
81,6
|
86,2
|
113
|
mm
|
|
16.00
|
5 3/4
|
3 1/4
|
4 3/4
|
2 11/16
|
x
|
1/2
|
190
|
250
|
250
|
295
|
polegada
|
16"
|
|
406
|
146
|
82,6
|
121
|
68,3
|
x
|
12,7
|
86,2
|
113
|
113
|
134
|
mm
|
|
18.00
|
6 1/4
|
3 1/2
|
5 1/8
|
2 3/4
|
x
|
1/2
|
250
|
320
|
295
|
395
|
polegada
|
18"
|
|
457
|
159
|
88,9
|
130
|
69,8
|
x
|
12,7
|
113
|
145
|
134
|
179
|
mm
|
|
20.00
|
6 3/8
|
3 3/4
|
5 1/2
|
2 7/8
|
x
|
1/2
|
315
|
400
|
370
|
505
|
polegada
|
20"
|
|
508
|
162
|
95,2
|
140
|
73
|
x
|
12,7
|
143
|
181
|
168
|
229
|
mm
|
|
24.00
|
6 5/8
|
4 3/16
|
6
|
3 1/4
|
x
|
1/2
|
475
|
580
|
550
|
790
|
polegada
|
24"
|
|
610
|
168
|
106
|
152
|
82,6
|
x
|
12,7
|
215
|
263
|
249
|
358
|
mm
|
|